USGS visual identity mark and link to main Web site

USGS Open-File Report 94-023

Steps Toward Drier Climatic Conditions In North-Western Africa During The Upper Pliocene

Lydie M. Dupont
Institut für Palynologie und Quartärwissenschaften der Universität, Göttingen, Germany
Suzanne Leroy
IGBP PAGES, Bern, Switzerland
A 200 m long marine pollen record from ODP 658 (21°N, 19°W) reveals cyclic fluctuations and long-term variation in vegetation and continental climate of northwestern Africa from 3.7 to 1.7 Ma.

ODP Site 658 (Ocean Drilling Program, leg 108) is situated northwest of Africa (Fig. 1) at a water depth of 2263 m on the continental slope 160 km west off Cape Blanc. It is located below an important near-shore up welling cell induced by the trade winds. The position at a terrace of the continental slope between two major canyon systems restricts disturbance of the sediment record by lateral down-slope transport of particles to a minimum (Ruddiman et al., 1988). The upper 100 meters of sediment covering the Brunhes Normal Polarity Chron and the lower 200 meters representing the Upper Pliocene are separated by a hiatus spanning the Lower Pleistocene (Sarnthein and Tiedemann, 1989). The high sedimentation rate, due to high organic production in the up welling zone combined with high Saharan dust influx, provides a Plio-Pleistocene record of high quality in which bioturbation hardly obscures the fine-scale resolution up till 1000 years (Tiedemann et al., 1989).

Figure 1. Location of ODP site 658
This figure is available as a GIF, PICT, or TIFF (line-art) image.
ODP Site 658 is located at 21°N, 19°W; the black dot. Also shown are surface winds (trades and monsoon; black arrows) and mid-tropospheric winds (African easterly Jet; open arrows), modern vegetation zones (Mediterranean, Saharan, Sahelian, savanna and dry open forest, tropical rain forest).
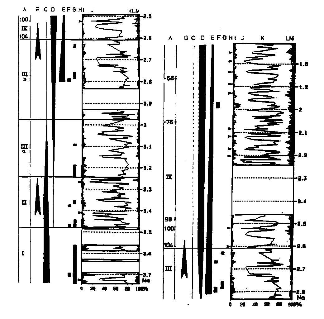
Figure 2. Pollen data and inferred paleoclimatic changes for ODP site 658
This figure is available as a GIF, PICT, or TIFF (line-art) image.
(A) Pollen zones in roman numbers. Arabic numbers refer to oxygen isotope stages.
(B) Arrows indicate the steps toward drier climatic conditions.
(C) Declining trend in river discharge.
(D) Increasing trend in trade-wind vigor.
(E) Declining trend in grass-rich vegetation types like savanna and open forest.
(F) Occurrence of mangroves near Cape Blanc.
(G) Extent of the tropical forest to 21°N.
(H) Arrows denote levels that show a progression of percentage maximums of pollen taxa indicating a southward shift of dry vegetation.
(I) Percentages of Rhizophora plus tropical forest elements (hatched left).
(J) Percentages of Cyperaceae plus Poaceae (open left).
(K) Percentages of CCA (sum of Caryophyllaceae and Amaranthaceae-Chenopodiaceae) plus Asteraceae (open right).
(L) Percentages of Artemisia plus 'Mediterranean' elements (hatched right).
(M) Percentages of Ephedra (black).
Time-scale in Ma on the vertical axis after Tiedemann et al. (in press). Oxygen isotope taxonomy after Tiedemann (1991).
Figure 3. Running mean of percentages for selected pollen taxa
This figure is available as a GIF, PICT, or TIFF (line-art) image.
Running mean (9 equidistant samples 5 ka apart) of percentages of the following pollen taxa: tropical forest, Rhizophora, Poaceae (grasses), CCA (sum of Caryophyllaceae and Amaranthaceae-Chenopodiaceae), Asteraceae Liguliflorae, Artemisia, Ephedra, and trade-wind indicators. Time-scale in Ma on the vertical axis.
The time-scale of the sequence (Fig. 2) is provided by biostratigraphy, palaeomagnetism, and oxygen isotope stratigraphy (Ruddiman et al., 1988; Sarnthein and Tiedemann, 1989; Tiedemann, 1991). The ages of the isotope stages of ODP 658 are derived by comparison with ODP 659 (18.05'N, 21.02'W; Tiedemann, pers. comm. 1992). That time-scale reaches back 5 Ma (Tiedemann and Sarnthein, in press). The ages of the ODP 659 time-scale are similar to the independent calibrations of Shackleton et al. (1990) on Pacific sediments (ODP 677) and of Hilgen (1991) on Mediterranean sapropels. However, the ages of ODP 659, and thus of ODP 658, are consistently 0.13 Ma older than those obtained by Raymo et al. (1989) from the N Atlantic (DSDP 607). Correlation of ODP 658 with ODP 659 and DSDP 607 revealed a hiatus at 154 mbsf and several coring gaps (Tiedemann, 1991). The time resolution of the pollen record of ODP 658 (401 samples) exceeds 1 sample per 5 ka except for the mentioned gaps and spans the period from 3.7 to 1.7 Ma.

Nowadays, at latitudes between 19°N and 21°N, the climatic sensitive Sahelian vegetation gives way to the desert. In the adjacent East Atlantic, at 21°N, ODP 658 is located where northeasterly trade winds are overlain by the mid-tropospheric African Easterly Jet (Fig.1; AEJ, summer maximum of the Saharan Air Layer). Trade winds transport pollen from their source areas in the Mediterranean and the Sahara to the marine site (Hooghiemstra et al., 1986). Dust and pollen from the Sahel and the southern Sahara are carried into altitudes of the AEJ (1000-5000 m) by strong, heat induced squall lines. Then, the AEJ carries pollen from latitudes between 16°N and 20°N westwards and northwards over the Atlantic. Modern transport of pollen grains by river discharge and ocean currents is insignificant (Hooghiemstra, 1989; Dupont and Agwu, 1991).

For the Pliocene and the Pleistocene, the sedimentology of ODP 658 shows dust transport into the Atlantic by winds (trades and African Easterly Jet) as well as clay transport by rivers (Tiedemann et al., 1989; Tiedemann, 1991). On the one hand, quartz content and siliciclastics (eolian dust > 6 micron) indicate wind vigor, while on the other hand, the clay content illustrates the importance of river discharge to the formation of the sediment. The pollen record of ODP 658 confirms the conclusion drawn from sedimentary analysis (Tiedemann, 1991) of persistent river discharge prior to 3.4 Ma. Afterwards, river discharge subsequently ceased. River-borne pollen seems abundant until 2.97 Ma.

An estimation of trade wind vigor is given by the sum of those pollen taxa that have their main source areas in the northern Sahara and North Africa: Ephedra, Artemisia, and Pinus, plus Asteraceae Liguliflorae for periods after 2.9 Ma. Generally, the strength of the trades was much lower during the Pliocene than during the late Pleistocene (Fig. 3). Trade winds were very weak until 3.17 Ma resulting in low transport of pollen from north of the Sahara. However, at 3.26 Ma, trade-wind vigor probably increased for a short period. Stepwise increase of the level of trade-wind strength is found at 3.17, 2.76, and 2.61 Ma. During the final Pliocene, trade winds are rather strong with exception of the period between 1.87 and 1.85 Ma. The record of trade-wind indicators corroborates the estimates of wind strength by grain size analysis of ODP 658, ODP 659 and DSDP 397 showing an increase of the trade winds between 3.2 to 2.6 Ma (Tiedemann et al., 1989; Tiedemann, 1991).

Studies on time-slices of the Holocene optimum and the Last Glacial Maximum revealed the latitudinal stable position of the AEJ during the last glacial-interglacial cycle and the increasing strength of the trade winds during glacial times (Hooghiemstra, 1988). During the Brunhes Chron, latitudinal shifts up to 10° of latitude for the vegetation zones of Sahara, Sahel, and savanna were registered through the AEJ carrying pollen grains from those vegetation zones, which occurred at latitudes between 16°N and 20°N. These shifts are reflected in the progression of percentage maximums of Cyperaceae, Poaceae, CCA (sum of Caryophyllaceae, Chenopodiaceae, and Amaranthaceae), Artemisia, and Ephedra (Fig. 2H, arrows; Dupont and Hooghiemstra, 1989; Dupont et al., 1989). Each of them is interpreted as a southward extension of dry vegetation or even deserts and, therefore, as a reflection of drier climate. Few of the shifts have been recorded before 3 Ma, but they regularly occur from 2.61 Ma onwards.

The pollen record of ODP 658 shows a large number of short-time ( < 50 ka) fluctuations (Fig. 2) in vegetation and climate from 3.74 to 1.71 Ma corresponding to the oxygen isotope record: dry periods correlate with large global ice-volume and humid periods with small global ice-volume. On top of these cycles, several periods, at ca. 3.5, 3.2, and 2.5 Ma, mark irreversible changes in the development of vegetation and climate.

A humid, probably warm, climate with weak trade winds prevailed from 3.74 to 3.48 Ma (Zone I). According to percentages of Rhizophora pollen exceeding 10%, mangrove swamps were growing near Cape Blanc around 3.70 Ma, probably in connection with a paleoriver. Percentages of the sum of pollen from Sudanian and Guineian vegetation, i.e. from wooded savanna, woodland and tropical forest, repeatedly exceed 5%. It indicates that forest and savanna had a distribution at least as north as 21°N. The period may be correlated in northwestern Europe to Brunssumian C of the Dutch palynostratigraphy (Zagwijn, 1960) and Zone P1c of the northwestern Mediterranean area (Suc, 1984).

The period from 3.48 to 3.25 Ma (Zone II) shows five dry phases. Three of them, at 3.48, 3.35, and 3.26-3.27 Ma, show high percentages of Amaranthaceae-Chenopodiaceae pollen (50%) indicating arid conditions. Two other dry phases, at 3.44-3.40 and 3.31 Ma, are less prominent: they show high percentages of Caryophyllaceae but the percentages of Amaranthaceae- Chenopodiaceae hardly exceed 40%. High percentage values ( > 20%) are found for Asteraceae Liguliflorae between 3.44 and 3.40 Ma, and at ca. 3. 27 Ma presenting a no-analogue situation. The youngest and most arid phase shows a percentage maximum of Ephedra of 4% at 3.26 Ma. This phase could correspond to a drop in winter sea surface temperatures in the Mediterranean Sea (Zachariasse et al.; 1990) and a decline of thermophilous elements in pollen records of coastal swamps and mountain slopes of the Mediterranean area (Suc et al., 1992). From the sedimentary record of ODP 658, Tiedemann (1991) concluded an increase of eolian activity, especially trades, around 3.26 Ma. The period from 3.48 to 3.25 Ma records through the course of several oscillations a trend toward more aridity and an extension of open vegetation types in northwestern Africa probably in relation to the onset of the trade winds and the first Northern Hemisphere's glaciations.

Humid conditions reestablished between 3.25 and 3.19 Ma (beginning of Zone IIIa) indicated by high percentages of tropical forest ( > 2%) and Cyperaceae ( > 15%). Afterwards, the climate progressively becomes drier again and percentages of Cyperaceae decline (end of Zone IIIa). During the next period from 2.97 to 2.61 Ma (Zone IIIb), prevailing percentages of grass pollen (Poaceae up to 70%) are followed by percentage maximums of CCA ( > 50%), at 2.73 and 2.69 Ma, Ephedra ( > 5%) at 2.69 Ma, and the first maximum of Artemisia (2%) at 2.66 Ma. A slight increase in trade- wind strength occurred at 2.76 Ma. The period may be correlated to the Reuverian in the Netherlands and to the Mediterranean pollen zone PII (Zagwijn and Suc, 1984).

The isotope Stages 104 (2.60 Ma), 100 (2.53), and 98 (2.49 Ma) record high percentages of Ephedra (ca. 3%), Artemisia ( > 2%), and CCA ( > 50%) indicating severe dry periods. They start a climatic regime in northwestern Africa resembling glacial to interglacial cycles that result in arid cold and humid warm phases. The period is correlated with the Praetiglian and the lower part of the Lieth-series (Ekholt Glacial; Mencke, 1975). Within the period between 2.6 and 1.7 Ma (Zone IV), only two extended humid periods occur corresponding to the weakly developed isotope Stages 76 and 68.

Long-term variation (Fig. 3) indicates a first step toward drier climate between 3.5 and 3.2 Ma and a second, stronger one starting at about 2.6 Ma. The percentage maximums of Rhizophora ( > 5%) indicate that until 1.9 Ma, mangrove swamps irregularly occurred near Cape Blanc (i.e. 5° north of their present northern limit). Prior to 3.5 Ma, and between 3.25 and 2.6 Ma, mean percentages of tropical forest elements ( > 2%) indicate a northern extent of forests that probably shifted southwards after 2.6 Ma. After 2.8 Ma, a declining trend in mean percentages of Poaceae indicates a reduction of savanna vegetation (including wooded savanna and dry open forest), probably as a result of the development of a desert vegetation in northwestern Africa. Percentages of Asteraceae Liguliflorae reach high values prior to 3.2 Ma, but decline to low values afterwards. From 2.7 Ma on, mean percentages of CCA reach high values (around 40%), comparable to those for the Brunhes indicating aridity in northwestern Africa. Mean percentages of Ephedra and Artemisia of the Pliocene are five times lower than those of the late Pleistocene indicating that arid periods were still less prolonged and/or less severe during the Pliocene.

References


This page is <https://pubs.usgs.gov/openfile/of94-023/11_Dupont.html>
Maintained by Eastern Publications Group Web Team
Last modified 28-Feb-2001