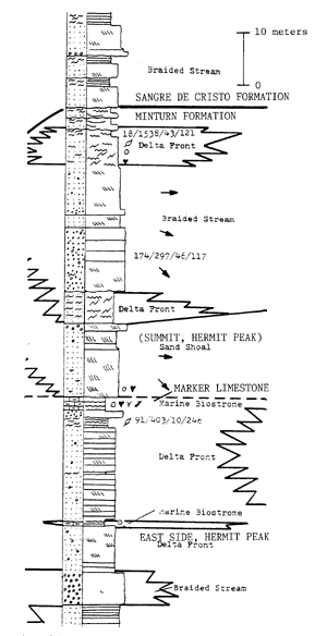
Figure 17.--Stratigraphic section and photographs showing depositional features and inferred environments below the Minturn-Sangre de Cristo Formation contact at stop 4, summit of Hermit Peak. Photographs below show features in ascending stratigraphic order, from marker limestone to siltstone lens 5 m below Sangre de Cristo Formation.

    [Measured section across Minturn-Sangre de Cristo contact, Hermit Peak, stop 4]

    A) Partial stratigraphic section across the contact between the Minturn and Sangre de Cristo Formations, Hermit Peak (from Clark and Walz, 1985). Zig-zag lines denote interpreted facies changes between adjacent measured sections on Eureka Mountain (left) and Rito Alto Peak (right). Numbers are chemical analyses for U/Cu/Pb/Zn in ppm; arrows are paleocurrent directions, with north toward the top; symbols are fossils.

    [Photograph of marker limestone, algal structure]

    B) Photograph of marker limestone bed, showing algal structure (below pencil) and marine fossils (upper left); interpreted as marine biostrome deposit.

    [Photograph of crossbedded sandstone and siltstone]

    C) Photograph of crossbedded sandstone and ripple cross-laminated siltstone (both interpreted as marine deposits) above marker limestone. The lower part of the crossbedded sandstone is calcareous. Lower sandstone interpreted as marine sand shoal deposit siltstone, delta front; and upper sandstone, braided stream deposit.

    [Photograph of siltstone] [Photograph of siltstone samples with fossils]

    D) Photographs of siltstone lens 5 m below Minturn-Sangre de Cristo Formation contact. Closeup shows poorly preserved brachiopods (end of pen) and fragments of crinoid columnals. Dark color represents carbonaceous plant remains. Note anomalous metal content, shown by chemical analyses in section above. Interpreted as delta front deposit.