USGS banner

Open-File Report 01-282

Sediment-Deposition Rates and Organic Compounds in Bottom Sediment at Four Sites in Lake Mead, Nevada, May 1998

Table of Contents   |   Conversion Factors and Chemical Abbreviations   |   Report Home Page

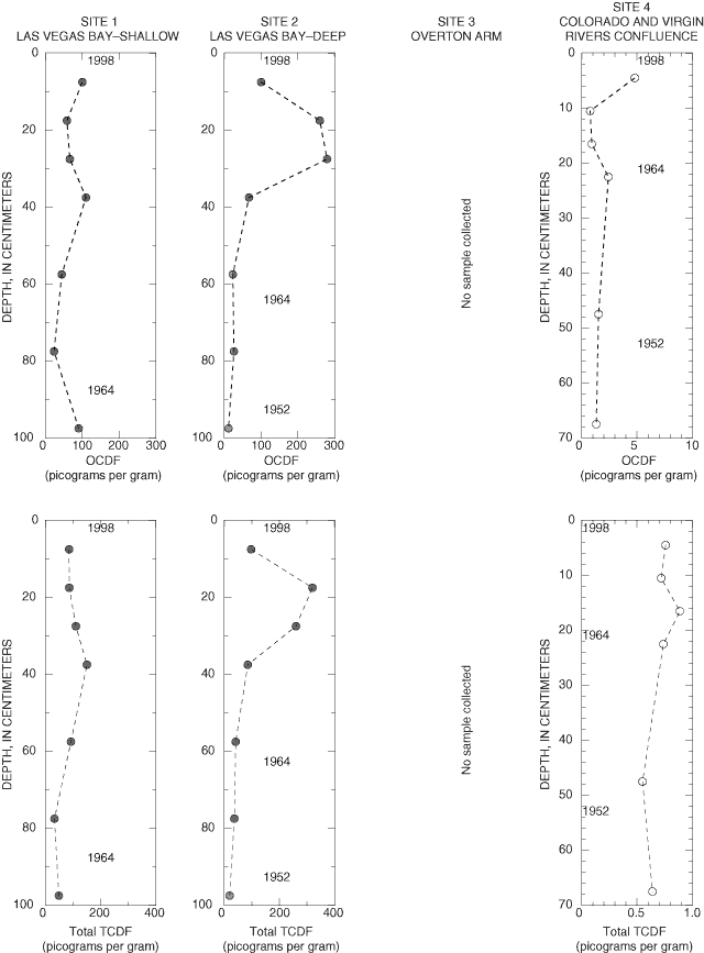
Figure 5. Concentrations of OCDF and total TCDF in bottom-sediment cores at three sites in Lake Mead, May 1998. Solid circles represent cesium-137 concentrations. Open circles represent cesium-137 concentrations that are less than the value plotted. Years shown indicate the approximate date of that section of the core.

Chart showing concentrations of OCDF and total TCDF in bottom-sediment cores at three sites in Lake Mead, May 1998.